
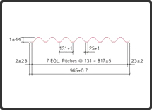
DECKING SHEETS
Trapezoidal Metal Profile sheets with strong and reliable shear bond performance which is augmented by cross embossing located in the profile. The composite floor profile offers the ultimate in the light weight steel decking which reduced concrete usage to provide a cost effective and alternative floor solution that easy to install.


Application
- High Rise Buildings
- Multiplexes / Commercial Buildings
- Power Plant Buildings
- Office Buildings
- Mezzanine Floors in Industrial Buildings & Warehouses
- Steel deck fo rmezanine floors
Thickness
0.8mm/1mm/1.2mm/1.6mm/2mm
Technical Specification
Base Metal- High tensile structural grade steel
- Coating Mass 120, 180 & 275 GSM
- Coating Standard IS : 277
- Yield Strength 240 MPA
- Premier Coating Minimum 10 Microns
- Colour coating Premier 10 Microns Bottom 25 Micron
Cold Rolled (CR) l Galvanised l Both side primer coated (Galvanised)
Pre coated galvanised under side giving durable and attractive appearance and minimum future maintenance.
Advantages
- Reduced Concrete usage: Tensile steel for composite slab construction that cuts down on slab thickness and dead weight of buildings. Providing a more sustainable solution and reducing costs.
- No separate formwork required for slab casting.
- Reduces construction time.
- Technical department at Alfa offers comprahas sive advisory of service on design of composite flooring should quiries arise which are not cover by this literature please contact us.
Load Tables
The structural adequacy of DECK sections is established by choosing the section to provide requisite sectional modules to satisfy moment and deflection criterion. A moment coefficient of 1/8 is used for single and dual spans and 1/10 for 3 or more spans. The deflection co-efficient are 0.013 for single span and 0.0078 for multi spans. The maximum deflection of the DECKSHEETS is restricted to L/250 under uniformly distributed loads.









